









































































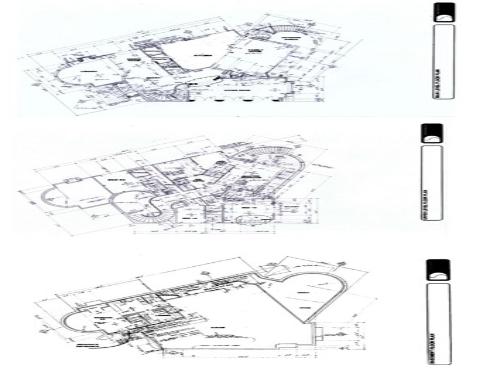
Two thirds of an acre on the FRONT ROW OCEANFRONT – ONE OF A KIND IN RITZ COVE! Welcome to an elegant oceanfront estate in Ritz Cove, the only beachfront community between the Ritz-Carlton and the Waldorf Astoria Monarch Beach Five-Star Resorts. Positioned on the largest lot in the enclave—over two-thirds of an acre—this home enjoys an extraordinary 110 feet of ocean and Catalina facing frontage and the privacy of a double-lot width. There is no neighbor on one side, just garden, grass and a sitting area...so the feeling of privacy is immense. With approximately 8,300 square feet, 5 bedrooms, and 9 baths, this residence was designed for rare coastal living. The subterranean garage accommodates up to six cars, a true luxury along the coast, and a rarity for an oceanfront home. An elevator serves all three levels—a distinction, as homes in many areas of OC are restricted to only two stop elevator service. Additionally, one of the bedroom suites has its own private exterior entrance, which is ideal for a guest apartment, ADU, or quarters for a nanny, chef, live-in family member or caregiver. The ceilings in this separate room are over 11’ high. The lower level family room can easily serve as a large Media/Cinema Room/Movie Theatre! A private cul-de-sac setting and a 90-foot setback from the street creates serenity and exclusivity. The lush garden, with roses, peaches, lemons, limes, boysenberries, Fuji apples, palms, and grapes, offers a rare oasis by the sea. Step through your private beach gate and onto the world-renowned Salt Creek Beach path, steps from white sand, dolphins, surfers, and nightly sunsets over Catalina. Inside, the home reflects a timeless, soft Tuscan style with hand troweled soft plaster walls and stone finishes. The main level hosts generous living and family rooms, a dining room, a library/office with two-story ceiling, kitchen, and several baths, including a surfer’s bath with a separate entrance and shower. Upstairs, four ensuite bedrooms include the primary suite with dual His-and-Hers separate bathrooms and showers. This is a huge perk!!! The lower level offers an additional bedroom and bath, game and entertainment rooms, laundry, and direct garage access. Sheltered slightly back from the Ritz Carlton bluff, the property benefits from natural wind protection. This rare estate embodies the best of privacy, elegance, and beachfront living in Ritz Cove.